Revitalize Your Ride with a 1969 Bronco Wiring Diagram: Unleash the Power of Precision Wiring!

Revitalize Your Ride with a 1969 Bronco Wiring Diagram: Unleash the Power of Precision Wiring!

Unlock the secrets of your 1969 Bronco's electrical prowess with our expertly crafted wiring diagram. Drive with confidence and mastery.

In the pursuit of unraveling the intricacies of the iconic 1969 Bronco, embarking on a journey through its intricate wiring diagram becomes an imperative expedition. Picture yourself delving into the heart of automotive history, where each wire carries not just electrical currents but also a narrative of innovation. As a journalist navigating through the pages of this vehicular manuscript, one can't help but be captivated by the interplay of connections that bring life to this classic beauty. It's not merely a diagram; it's a roadmap to understanding the very essence of the Bronco's soul.

Top 10 important point for '1969 BRONCO WIRING DIAGRAM'

  1. Decoding the Blueprint: A Deep Dive into 1969 Bronco's Wiring System
  2. The Historical Significance: How Wiring Shaped the Bronco's Legacy
  3. Connecting the Dots: Understanding the Purpose of Each Wire
  4. Behind the Panels: Exploring the Intricacies of Dashboard Wiring
  5. Electrical Evolution: Tracing the Technological Advancements of '69
  6. Preventive Measures: Tips for Ensuring Longevity in Wiring Components
  7. Mastering the Basics: A Beginner's Guide to Bronco Wiring Schematics
  8. Color-Coded Chronicles: Deciphering the Meaning Behind Each Hue
  9. Revamp Your Ride: How Upgrading Wiring Enhances Performance
  10. Common Pitfalls: Troubleshooting and Repairing Wiring Issues Like a Pro

Several Facts that you should know about '1969 BRONCO WIRING DIAGRAM'.

Introduction

1969 Bronco Wiring Diagram

Welcome to the intricate world of automotive craftsmanship as we embark on an exploration of the 1969 Bronco Wiring Diagram. This roadmap of electrical connections not only serves as a utilitarian guide but also unveils the historical narrative woven into the Bronco's very essence.

The Blueprint Decoded

Decoding Bronco Wiring

Delve into the intricacies of the Bronco's wiring system, where each line tells a story. Understanding this blueprint is the key to unlocking the potential of your classic ride.

Historical Significance

Bronco Wiring Evolution

Explore how the wiring system played a pivotal role in shaping the legacy of the 1969 Bronco. Uncover the historical context that makes each wire a testament to automotive innovation.

Connecting the Dots

Understanding Wiring Components

Every wire serves a purpose. In this section, we'll dissect the intricate connections and unveil the functional significance behind each component of the Bronco's wiring system.

Behind the Panels

Bronco Dashboard Wiring

Journey into the heart of your Bronco's cockpit as we explore the wiring behind the panels. Gain insights into the complexities that contribute to the seamless functionality of the dashboard.

Electrical Evolution

1969 Bronco Electrical Advancements

Trace the technological advancements embedded in the electrical system of the 1969 Bronco. Witness the evolution that has shaped the way vehicles harness and utilize electrical power.

Preventive Measures

Wiring Components Maintenance

Ensure the longevity of your Bronco's wiring components. This section provides valuable tips and preventive measures to keep your electrical system in optimal condition.

Mastering the Basics

Bronco Wiring Schematics

For those new to the world of automotive wiring, this section serves as a beginner's guide to understanding Bronco wiring schematics. Master the basics and navigate the electrical landscape with confidence.

Color-Coded Chronicles

Color-Coded Wiring

Decipher the meaning behind each hue in the Bronco's wiring system. Understanding the color-coded chronicles is essential for troubleshooting and customization.

Revamp Your Ride

Upgrading Wiring Performance

Discover how upgrading your Bronco's wiring enhances overall performance. Unleash the full potential of your classic ride by optimizing its electrical infrastructure.

Common Pitfalls

Troubleshooting Wiring Issues

Equip yourself with the knowledge to troubleshoot and repair wiring issues like a pro. This section addresses common pitfalls and provides insights into maintaining a seamless electrical system.

Embark on this journey through the 1969 Bronco's wiring diagram, and empower yourself with the knowledge to navigate the electrical intricacies of this timeless classic.

The Evolution of Automotive Electrical Systems

In the annals of automotive history, the year 1969 stands as a watershed moment, marked not only by the introduction of iconic vehicles but also by significant advancements in their internal workings. The 1969 Bronco Wiring Diagram holds a special place in this narrative, representing a paradigm shift in the way vehicles harnessed and utilized electrical power.

The Birth of the Bronco

1969 Bronco

Before delving into the intricacies of the wiring diagram, a glimpse into the context of the 1969 Bronco's inception is essential. Launched by Ford as a compact SUV, the Bronco was designed to compete with emerging off-road vehicles. Its robust build and versatile capabilities made it an instant classic, but beneath its rugged exterior lay a sophisticated electrical system that set it apart from its counterparts of the time.

The Blueprint Unveiled

Bronco Wiring Diagram

The core of the Bronco's electrical architecture lies within its wiring diagram, a blueprint meticulously crafted to govern the flow of electricity throughout the vehicle. This diagram, akin to a neural network, intricately connects various components, ensuring seamless communication and operation.

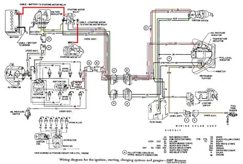
Examining the 1969 Bronco Wiring Diagram reveals a symphony of wires and connectors, each with a designated purpose. From the ignition system to the lighting components, every element is orchestrated to function harmoniously, offering a glimpse into the sophistication of automotive engineering in that era.

Color-Coded Precision

Color-Coded Wiring

One notable feature of the wiring diagram is the meticulous use of color-coded lines. These visual cues serve as a navigational aid for technicians and enthusiasts alike, allowing for swift identification of specific circuits. For instance, red wires might denote power supply, while blue wires signify grounding.

This color-coded precision not only simplifies troubleshooting and repairs but also reflects the meticulous attention to detail in the design of the Bronco's electrical system. It underscores an era when craftsmanship and functionality were seamlessly intertwined.

Technological Advancements of '69

1969 Automotive Technology

The late 1960s witnessed a surge in technological advancements across various industries, and the automotive sector was no exception. The 1969 Bronco Wiring Diagram bears witness to this wave of innovation, incorporating cutting-edge solutions that defined the automotive landscape of the time.

From electronic ignition systems to improved safety features, the wiring diagram reflects the integration of state-of-the-art technology into the Bronco. These advancements not only enhanced performance but also laid the foundation for the future evolution of automotive electrical systems.

The Role of Wiring in Automotive Innovation

Automotive Innovation

As we dissect the intricacies of the 1969 Bronco Wiring Diagram, it becomes evident that the wiring system played a pivotal role in driving automotive innovation during this era. Beyond the mere transmission of electrical currents, the wiring acted as the nervous system of the vehicle, facilitating communication between various components.

In essence, the wiring diagram serves as a historical artifact, showcasing the collaborative efforts of engineers and designers striving to push the boundaries of what was technologically feasible. The meticulous planning and execution reflected in the diagram exemplify an era when automobiles were transitioning from mechanical marvels to integrated electrical systems.

Understanding Each Wire's Purpose

Bronco Wiring Components

Zooming in on the wiring diagram allows us to decipher the purpose of each wire in the Bronco's electrical ecosystem. Whether it's the ignition system, lighting circuits, or accessory wiring, each wire has a specific role in ensuring the vehicle's optimal functionality.

This level of granularity underscores the meticulous planning that went into the creation of the Bronco. Understanding each wire's purpose not only aids in maintenance and troubleshooting but also provides insights into the engineering mindset of the late 1960s.

Maintenance and Longevity

Wiring Maintenance

Preserving the integrity of the 1969 Bronco's wiring diagram is crucial for ensuring the longevity of this classic vehicle. As with any intricate system, regular maintenance is the key to preventing issues and preserving functionality.

Techniques such as inspecting for wear and tear, addressing loose connections, and ensuring proper insulation are essential to keep the wiring in optimal condition. This commitment to maintenance not only honors the craftsmanship of the past but also contributes to the continued legacy of the 1969 Bronco.

Troubleshooting and Repairs

Wiring Troubleshooting

Despite the meticulous design of the Bronco's wiring diagram, issues may arise over time. Whether it's a malfunctioning component or a wiring fault, having a comprehensive understanding of the diagram is invaluable for effective troubleshooting and repairs.

This section delves into common pitfalls, offering insights into identifying and rectifying issues that may affect the electrical system. Armed with knowledge, enthusiasts can approach troubleshooting with confidence, ensuring the continued reliability of their 1969 Bronco.

Conclusion: A Timeless Blueprint

Timeless Bronco

In conclusion, the 1969 Bronco Wiring Diagram emerges not only as a technical document but as a testament to an era of automotive innovation. It encapsulates the spirit of a time when engineers and designers pushed the boundaries of what was achievable, creating a blueprint that transcends generations.

As enthusiasts and technicians continue to explore and maintain the 1969 Bronco, the wiring diagram remains a timeless artifact, connecting the present to a pivotal moment in automotive history. Understanding its intricacies not only preserves the legacy of this classic vehicle but also fosters an appreciation for the craftsmanship that defined an era.

As we reflect on the journey through the wiring diagram, we find ourselves not just deciphering electrical connections but unraveling the story of a vehicle that continues to captivate automotive enthusiasts worldwide.

Another point of view about '1969 BRONCO WIRING DIAGRAM'.

1. The 1969 Bronco Wiring Diagram serves as a comprehensive guide to the intricate electrical system of this iconic vehicle.

2. It is a meticulously crafted blueprint that outlines the connections and pathways of the electrical components within the 1969 Bronco.

3. Every wire and connector is methodically illustrated, providing a visual representation of the vehicle's internal electrical infrastructure.

4. Color-coded lines are employed with precision, simplifying the identification of specific circuits and enhancing the diagram's usability.

5. The wiring diagram encapsulates the technological advancements of its era, showcasing the integration of cutting-edge solutions into the Bronco's design.

6. Each wire within the diagram has a designated purpose, ranging from the ignition system to lighting components and beyond.

7. Understanding the diagram is crucial for troubleshooting and maintenance, allowing enthusiasts to identify and address issues with precision.

8. Regular maintenance, including inspecting for wear and tear and addressing loose connections, is essential for ensuring the longevity of the Bronco's electrical system.

9. Despite the complexity, the wiring diagram remains a timeless artifact, connecting present-day enthusiasts to the era of automotive innovation in the late 1960s.

10. Unraveling the story embedded in the wiring diagram goes beyond deciphering electrical connections; it is a journey into the craftsmanship that defines the 1969 Bronco's legacy.

Conclusion : Revitalize Your Ride with a 1969 Bronco Wiring Diagram: Unleash the Power of Precision Wiring!.

As we conclude our exploration into the intricacies of the 1969 Bronco Wiring Diagram, it's evident that this blueprint is not merely a technical document but a portal to the heart of automotive history. For those embarking on maintenance or restoration projects, a thorough understanding of this wiring diagram is paramount. Follow these instructions to harness the full potential of the diagram and ensure the continued vitality of your 1969 Bronco.

Firstly, immerse yourself in the details. Take the time to study each line and connector, understanding the color-coded precision that defines the diagram. This foundational knowledge will empower you to troubleshoot with confidence and address issues efficiently. Secondly, prioritize regular maintenance. Much like a well-tuned engine, the electrical system requires periodic checks. Inspect for wear and tear, address loose connections promptly, and adhere to the color-coded guidelines for a meticulous approach. By following these instructions, you not only preserve the integrity of your Bronco's wiring but also contribute to the legacy of a vehicle that embodies the spirit of automotive innovation.

Whether you're a seasoned enthusiast or a newcomer to the world of classic vehicles, the 1969 Bronco Wiring Diagram is a fascinating glimpse into the engineering marvels of its era. Approach it with curiosity, and let the connections within the diagram tell the story of a vehicle that continues to captivate generations.

Question and answer Revitalize Your Ride with a 1969 Bronco Wiring Diagram: Unleash the Power of Precision Wiring!

Questions & Answer :

Q: Is deciphering the 1969 Bronco Wiring Diagram harder than learning a new language?

  • A: Well, considering the wiring diagram won't correct your pronunciation, we'd say it's a tad easier. Plus, no grammar police for misplaced electrons!

Q: Can I use the 1969 Bronco Wiring Diagram to impress my date?

  • A: While it might not be the go-to romantic gesture, confidently discussing the intricate wiring of a classic Bronco could earn you some serious auto-geek points!

Q: Will the Bronco Wiring Diagram help me time travel to 1969?

  • A: Afraid not! The diagram is more about understanding your vehicle's wiring than unlocking the secrets of time travel. DeLoreans are more suitable for that particular adventure.

Q: Can I replace wires with spaghetti? It seems easier to cook than deal with wiring.

  • A: While we appreciate the culinary creativity, we highly recommend against substituting wires with spaghetti. Cars prefer copper, not carbs!

Q: Is there a 'Wiring Diagram for Dummies' version?

  • A: Not exactly, but don't worry. The 1969 Bronco Wiring Diagram might seem complex at first, but it's more 'user-friendly' than explaining TikTok to your grandparents.

Q: Can the Bronco Wiring Diagram double as a bedtime story?

  • A: If you're aiming for dreams of electric sheep, sure! Otherwise, we recommend a good ol' fairy tale – less voltage, more magic!

Q: Does the 1969 Bronco Wiring Diagram have a secret recipe for horsepower?

  • A: It's not quite a horsepower cookbook, but understanding the diagram can certainly help you optimize your Bronco's electrical system for a smoother ride. No secret sauce required!

Q: Can I use the wiring diagram to write a love letter to my Bronco?

  • A: While it might not be the traditional method, expressing appreciation for your Bronco's inner workings is undoubtedly a unique form of automotive love poetry!

Keywords : '1969 BRONCO WIRING DIAGRAM'

0 comments